Project Requirements




System Characteristics

IP网络广播采用独有的CD质量的数据文件 格式,将音源转换为数据文件传送到网络适配器 全程数字化传输避免了传统音频广播的信号衰减与 噪音,提供高保真音质的声音

IP网络广播基于IP数据网络,每个网络广播 适配器都可以有独立的IP地址,可以拥有 完全个性化的节目

IP网络广播将前端音源扩展到整个网络,节目定 时播放都可以通过网络远程操,网络化的管理,还 可以对不同的用户设置不同的权限

内外IP网络广播能够实现自动化播放,并为各个 节目指定播放时间,服务器将自动进行播放 并且播放内容与对象范围可以任意指定

内外IP广播为提供了人性化的图形 菜单界面、人性化的操作,轻松简便,专一实 用,提高了使用的效率

内外IP广播有很多智能化的设计,可以在广播过程 实现录音、变速、列表循环播放等语音 功能;还可以实现定时设置,实现 广播自动播放;并能够远程编排、维护、管理等

IP网络广播工程简单,对于现在有局域网设每一个 IP广播点,只需要增加网络广播适配器安装即可, 一旦建设,广播系统与计算机网络系统可以共 用,减少多网重复建设

在应用上,系统可设置独立网段与计算机系统分 隔,各网络广播适配器嵌入式系统程序固化,不 会受到病毒感染。系统整体稳定可靠, 基本没有维护工作
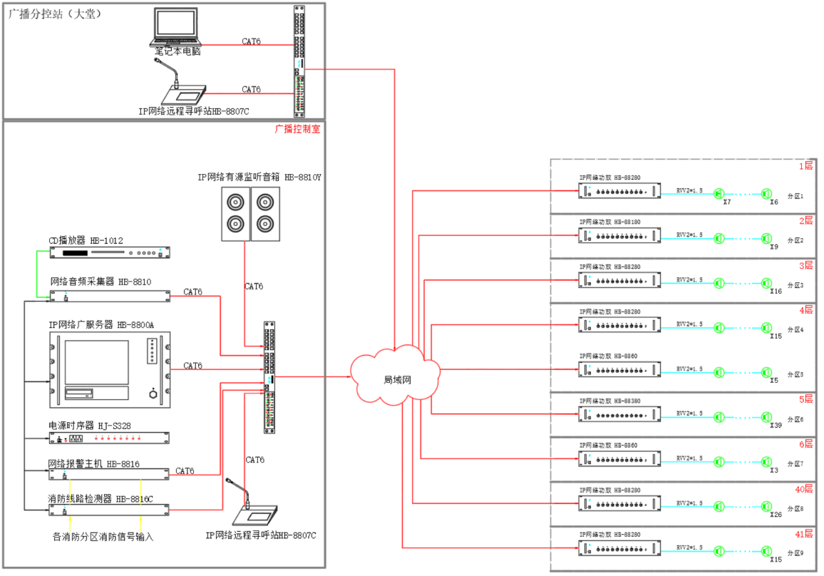
System Diagram
System Function











